首页
产品中心
DC Axial Fan Series
DC Blower Series
EC (AC To DC) Fan
EC Centrifugal Fan
关于我们
应用案例
新能源
电子设备
汽车工业
建筑业
航空航天
技术中心
新闻中心
产品动态
企业动态
行业动态
联系我们
首页
产品中心
DC Axial Fan Series
DC Blower Series
EC (AC To DC) Fan
EC Centrifugal Fan
关于我们
应用案例
新能源
电子设备
汽车工业
建筑业
航空航天
技术中心
新闻中心
产品动态
企业动态
行业动态
联系我们
当前位置:
首页
产品中心
DC Axial Fan Series
DBA05015 Series
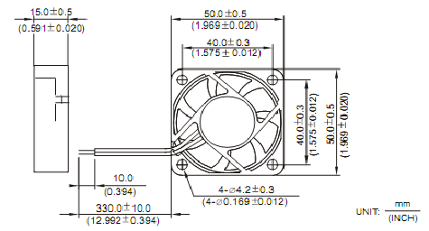
DBA05015 Series
50x50x15mm
使用材料
外框:塑料(UL:94V-0)
扇叶:塑料(UL:94V-0)
轴承:滚珠/长寿命轴承
在线咨询
填写表格
产品结构
产品参数
产品咨询
产品结构
外形图
特性图
产品参数
产品咨询
产品用途 *
咨询内容 *
姓名 *
电话 *
E-mail
验证码 *
提交
您也可以通过电话
0755-8829 9230 | 0755-8829 9243
或者
在线咨询
©2023 巨博悦科技 版权所有
粤ICP备12016528号
联系我们
地址: 深圳市·龙华区·民治街道大岭社区龙光致钻南期C座(4C)722
工厂: 广东省东莞市东坑镇东坑谦梅路2号之一601室
电话: 0755-88299230
邮箱: jby@juboyue.om
关注我们
微信公众号
0755-8829 9230 | 0755-8829 9243
在线咨询